24小时服务热线:廖经理:021-39822877(座机) / 13651715623(手机)

上海美力德阀门

24小时服务热线

座机:021-39822877(廖经理)
电话:13651715623(廖经理)

首页 > 通风蝶阀

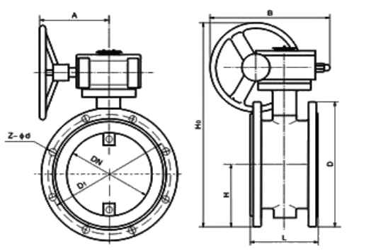
D341W型蜗动通风阀

【型号】:D341W

【通径】:DN100-DN3000

【压力】:PN10

【温度】:-29 ~ 200℃

【阀体材质】:Q235

【适用介质】:空气、含尘气体

产品详情

 D341W型蜗动通风阀 应用于化工、建材、电站、玻璃等行业中的通风、环保工程的含尘冷风或热风气体管道中,作为气体介质调节流量或切断的管道控制装置。本类阀门在管道中一般应当水平安装。

产品特点

 1.采用中线式碟板与短结构钢板焊接的新型结构形式设计制造的,结构紧凑、重量轻、便于安装、流阻小、流通量大,避免高温膨胀的影响,操作轻便
    2.内无连杆、螺栓等、工作可靠、使用寿命长。可以多工位安装,不受介质流向影响。
    通风蝶阀是一种非密闭型蝶阀,广泛适用于建材、冶金、矿山、电力等生产过程中。
    通风蝶阀由电动机带动驱动执行机构,使碟板在90°范围内自由转动以达到启闭或调节介质流量的目的。这种蝶阀与传统蝶阀相比具有耐高温,操作轻便,启闭无摩擦,关闭时随着传动机构的力矩增大来补偿密封,提高了蝶阀的密封性能及延长使用寿命的优点。

技术参数

热销产品更多>>

无相关信息

相关案例更多>>

在线留言

联系我们

24小时服务热线:
座机:021-39822877(廖经理)
电话:13651715623(廖经理)

版权所有 © 上海美力德阀门制造有限公司